This website requires JavaScript.
Explore
Help
Sign In
em
/
em.0x45.cz
Watch
1
Star
0
Fork
0
You've already forked em.0x45.cz
Code
Actions
Activity
Files
ec87a4ae8a8d53256627b85b385b4d3fe94bca08
em.0x45.cz
/
content
/
posts
/
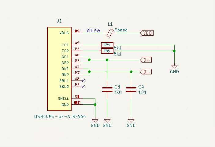
enabling-usb-c-chargers-on-miniware-mdp-m905
/
usb-c-pinout.png
Emil Miler
e439db1a06
Add a USB-C pinout image
2025-01-09 10:44:49 +01:00
32 KiB
703x482px
Raw
History
View Git Blame
Copy Permalink