1
0
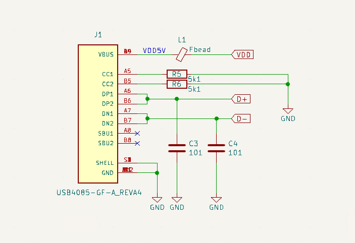
Files
em.0x45.cz/content/posts/enabling-usb-c-chargers-on-miniware-mdp-m905/usb-c-pinout.png